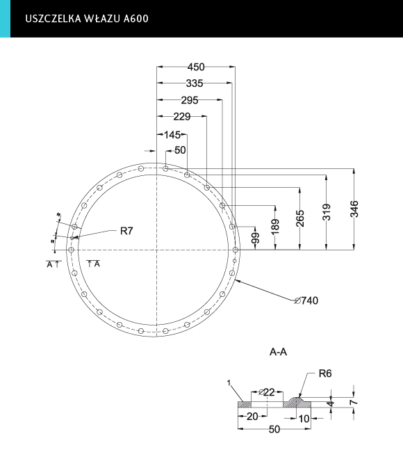
MATERIAŁ: guma o twardości 65 +/-5 stopni Shore'a, odporna na działanie wody morskiej, produktów pochodnych ropy, promieni ultrafioletowych, zmiennych temperatur w zakresie od -40°C do 60°C.

MATERIAŁ: guma o twardości 65 +/-5 stopni Shore'a, odporna na działanie wody morskiej, produktów pochodnych ropy, promieni ultrafioletowych, zmiennych temperatur w zakresie od -40°C do 60°C.
